最近想要把原本的10700k做升級 現在遇到兩個問題 1.想問現階段升級最推薦的是12代嗎? 因為看到13、14代現在遇到的狀況,是否代表升級的話,升到12代比較穩定? 若是的話,應該會選擇升12700k 2.因為剛好看到美亞在特價,但不太確定哪個才對 https://i.imgur.com/cJT6dpA.jpeg
https://i.imgur.com/Tp2u9Mb.jpeg
這裡看到兩個價格不同,都有在特價,供應商看起來也都是Amazon? 是選便宜的就對了嗎? 另外intel是全球保對嗎? 感謝各位 ---- Sent from BePTT on my iPhone 12 Pro Max -- ※ 發信站: 批踢踢實業坊(pttbestweb.org.tw), 來自: 36.229.95.116 (臺灣) ※ 文章網址: https://pttbestweb.org.tw/PC_Shopping/M.1716543758.A.593
gbcg9725: 第一個是kf沒內顯 39.14.42.149 05/24 17:45
syearth: 現在12600K 最香 114.45.43.120 05/24 17:47
leviva: 價差不大 直接罰站屋或機車行 買111.243.144.175 05/24 17:50
fmp1234: 有一顆是kf,切到英文版看比較準確。 37.19.205.238 05/24 17:54
fmp1234: 然後還要考慮關稅 37.19.205.238 05/24 17:55
YangJoe: 有看到了,確實切到英文版就變KF了,感 36.229.95.116 05/24 17:55
YangJoe: 謝 36.229.95.116 05/24 17:55
pifang: 那個你知道,主板也必須要一起升級嗎? 61.230.237.189 05/24 17:56
jan58912: 腳位不一樣 你也要順便買主板哦223.137.220.171 05/24 17:57
YangJoe: 主板部份我知道,可能選z790,只是不知 36.229.95.116 05/24 17:59
YangJoe: 道要不要上D5,感謝提醒 36.229.95.116 05/24 17:59
frgthy: 美亞買東西就看英文網頁吧223.138.145.193 05/24 18:01
c752: 都要全新的話買原價屋/欣雅的cpu mb組合就好 223.137.24.123 05/24 18:01
c752: ,跟你買國外差不了多少 223.137.24.123 05/24 18:01
Zenryaku: 主板要一起買的話沒必要美亞買吧 27.242.12.0 05/24 18:01
Zenryaku: D5不需要,反正是要死掉的東西你也沒辦 27.242.12.0 05/24 18:02
Zenryaku: 法升級 27.242.12.0 05/24 18:02
c752: 如果你要買二手主板的話在單買美亞cpu,另外 223.137.24.123 05/24 18:02
c752: 全球保沒錯 223.137.24.123 05/24 18:02
c752: 主機板部分z690/790都沒差,D4/D5影響不大, 223.137.24.123 05/24 18:03
c752: 可以上yt看你常用的程式效能差異 223.137.24.123 05/24 18:03
YangJoe: 目前不知道選D4D5的原因,其實是因為高 36.229.95.116 05/24 18:06
YangJoe: 階板都是D5,目前需要的I/O比較多,D4板 36.229.95.116 05/24 18:06
YangJoe: 的I/O我可能不夠用,不是不能減少,所以 36.229.95.116 05/24 18:06
YangJoe: 還在猶豫 36.229.95.116 05/24 18:06
Zenryaku: IO你接一個hub不就好了 又沒多貴 27.242.12.0 05/24 18:17
c752: IO比較多的話那找z690 比較有機會出高階版d4 223.137.24.123 05/24 18:21
c752: ,但也不太好找了 223.137.24.123 05/24 18:21
YangJoe: 外接Hub,但速度會被分掉,也有可能我錢 36.229.95.116 05/24 18:57
YangJoe: 花的不夠多就是了 36.229.95.116 05/24 18:57
Zenryaku: 是有多少東西需要那麼快的速度220.136.102.105 05/24 19:10
xzero0911: 是我就intel美亞買126~12900k 主板鬼島 114.34.51.236 05/24 19:23
xzero0911: 買多IO Z790大板 114.34.51.236 05/24 19:23
YangJoe: 現在是接外接ssd (m.2),滑鼠鍵盤麥克 36.229.95.116 05/24 19:36
YangJoe: 風等,之前用過一個hub,裝置插滿會讀不 36.229.95.116 05/24 19:36
YangJoe: 到,補上外接電源後也一樣,好像買1000 36.229.95.116 05/24 19:36
YangJoe: 多,還是其實這個預算的hub也是堪用而已 36.229.95.116 05/24 19:36
YangJoe: ? 36.229.95.116 05/24 19:36
Lemming: 後面I/O多很多都裡面hub出來的 61.224.212.103 05/24 19:40
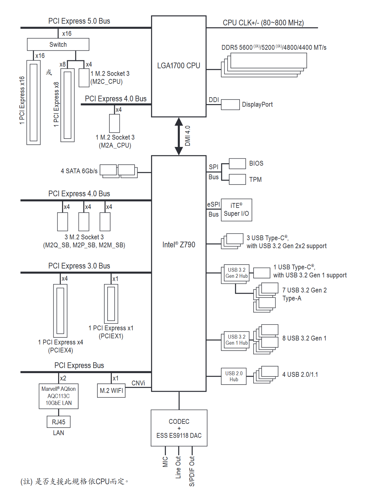
Lemming: https://i.imgur.com/axwlCeZ.png 61.224.212.103 05/24 19:41
Lemming: 隨便照直覺查一個 就寫明hub了 61.224.212.103 05/24 19:41
YangJoe: 瞭解,感謝樓上說明 36.229.95.116 05/24 20:16
Dcpp2015: 要用D5肯定不是選Intel ,因為Intel 只 36.238.110.93 05/24 22:59
Dcpp2015: 有12600K、12700K有性價比。 36.238.110.93 05/24 22:59
e049527: 借問 12700K必定要配Z板嗎?(沿用DDR4 42.77.3.250 05/24 23:29
e049527: -3200) 42.77.3.250 05/24 23:29
e049527: 最多只開XMP 不超穩穩用搭B板可行嗎 42.77.3.250 05/24 23:29
j155697: 跳AMD吧,何必選一個intel已經沒未來的腳111.249.203.199 05/24 23:35
j155697: 位111.249.203.199 05/24 23:35
gbcg9725: 12700k沒有一定要配z版 我就用b660 看 119.77.138.132 05/25 00:13
gbcg9725: 個人喜好 119.77.138.132 05/25 00:13
gbcg9725: ddr4要沿用也別想啥未來性了 買當前cp 119.77.138.132 05/25 00:20
gbcg9725: 高的就好 119.77.138.132 05/25 00:20
gbcg9725: 不過散熱器不能太省就是了 119.77.138.132 05/25 00:24
dos01: 價差如果沒很大的話就直接台灣買一買就好 182.155.78.98 05/25 02:01
dos01: 不然海上不知道要飄多久 182.155.78.98 05/25 02:01
gbcg9725: 如果12700k你想降電壓來降溫的話就不能 119.77.138.132 05/25 02:36
gbcg9725: 用b版 119.77.138.132 05/25 02:36
narukaza: 要速度補一張雷電3或4擴充卡,再上dock 114.34.174.204 05/25 03:17
narukaza: ,就不信你多會用 114.34.174.204 05/25 03:17
horse2819: 建議要買看一下評價挑一個比較高的 年 42.72.250.214 05/25 10:44
horse2819: 初剛從美亞買東西 東西直接失蹤 後來去 42.72.250.214 05/25 10:44
horse2819: 看評價才發現一堆人都一樣 退費也搞很 42.72.250.214 05/25 10:44
horse2819: 久 介面有夠爛 後來去找一個評價高的 42.72.250.214 05/25 10:44
horse2819: 一個禮拜不到就報關了 42.72.250.214 05/25 10:44